Are you dreaming of building your own spacious 5 bedroom house in India? Look no further! With the right house plan, you can turn your dream into reality. Imagine having ample space for your family to grow and create lasting memories.
Whether you prefer a traditional Indian design or a modern layout, there are plenty of options available to suit your taste and budget. From intricate details to functional layouts, finding the perfect 5 bedroom house plan in India is easier than you think.
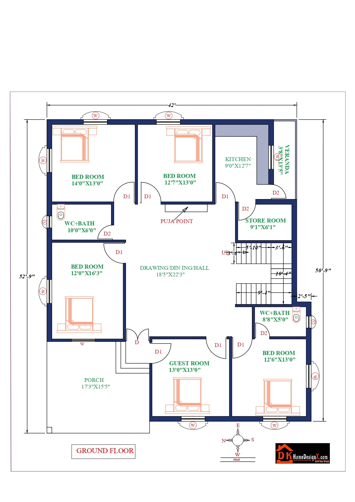
5 Bedroom House Plan India
5 Bedroom House Plan India
When choosing a 5 bedroom house plan in India, consider factors like the size of your plot, your family’s lifestyle, and any specific design preferences. Opt for a layout that maximizes natural light and ventilation, creating a comfortable and inviting living space.
From spacious bedrooms to open living areas, a well-designed 5 bedroom house plan in India offers functionality and style. Incorporate elements of Indian architecture or modern amenities to create a home that reflects your personal taste and preferences.
With the right 5 bedroom house plan in India, you can create a space that meets your family’s needs and enhances your quality of life. Start exploring different designs and layouts to find the perfect plan for your dream home today!
Embrace the opportunity to build your dream 5 bedroom house in India with a thoughtfully designed house plan that suits your lifestyle and preferences. Take the first step towards creating a space that you and your family will cherish for years to come.
5 Bedroom House Elevation With Floor Plan Kerala Home Design And Floor Plans 10K Dream Houses
The Thamani 5 Bedroom House Plan David Chola Architect
5 Bedroom 2992 Sq ft Modern Home Design Kerala Home Design And Floor Plans 10K Dream Houses
42X53 Affordable House Design DK Home DesignX
5 Bedroom House Elevation With Floor Plan Kerala Home Design And Floor Plans 10K Dream Houses





